SVG-Parallelbetriebstest über CAN-Kommunikation
Ziel dieses Tests war die Überprüfung der Leistung und Stabilität von
mehrere
SVG (Statischer Var-Generator)
parallel arbeitende Einheiten über CAN-Kommunikation
wenn keine internen CTs verwendet werden. Konkret wurden acht SVG-Module getestet, um ihren Betrieb, ihre Kommunikationszuverlässigkeit und ihre Blindleistungskompensationskonsistenz bei CAN-basierter Synchronisierung zu bewerten.
Standard: DLT1216-2019 Technische Spezifikation für statische Niederspannungsgeneratoren
Externe CT:
Einbau auf der Netzteilseite, Verhältnis 250:5
Interne CT:
Kommunikation über CAN-Bus
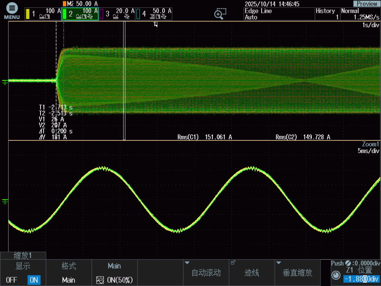
Oszilloskopsignale:
Gelb: Harmonischer Laststrom
Grün: Gesamtausgangsstrom aller Module
Die verwendete CAN-Kommunikation
IDs 10000001 bis 10000008
, die alle acht Einheiten abdeckt, mit einem
Baudrate von 500 kbps
.
Das System wurde mit Blindstrom von
0 A bis +150 A
. Alle Module zeigten sanfte und synchronisierte Kompensationsübergänge und sorgten für einen stabilen Betrieb ohne Stromschwankungen oder Kommunikationsverzögerung.
Das System wurde mit Blindstrom von
0 A bis -150 A.
Der gesamte einphasige Laststrom betrug 150 A. Die theoretische Leistung pro SVG betrug
18,75 A pro Phase
.
Die gemessenen Daten sind wie folgt:
| Modul | Phase A (A) | Phase B (A) | Phase C (A) | Hinweise |
|---|---|---|---|---|
| 1 | 17,8 | 17,7 | 17,8 | Stabil |
| 2 | 17,8 | 18,0 | 17.9 |
Der einphasige Ausgangsstrom der Last beträgt 150A, und die theoretische einphasige Leistung eines einzelnen SVG beträgt 18,75 A. |
| 3 | 17,8 | 17.9 | 17.9 | |
| 4 | 17,8 | 17.9 | 19,0 |
Die Stromverteilungsleistung zwischen den Modulen blieb konstant, mit Abweichungen innerhalb akzeptabler Toleranzgrenzen, was bestätigt
effektiver Lastausgleich
über das parallele SVG-Netzwerk.
Der
SVG-System
erwiesenermaßen zuverlässig
Parallelbetrieb durch CAN-Kommunikation
, wodurch eine genaue Blindstromregelung und eine ausgewogene Stromverteilung zwischen den Modulen erreicht wird.
Dieses Ergebnis bestätigt, dass die CAN-basierte Koordination die interne CT-Synchronisierung für SVG-Setups mit mehreren Einheiten effektiv ersetzen kann und in praktischen technischen Anwendungen Flexibilität, Skalierbarkeit und eine geringere Verdrahtungskomplexität bietet.
Für weitere Informationen kontaktieren Sie bitte Ingenieur David über WhatsApp unter +86 18917353780
Abonnieren Sie uns, um in den Genuss von Veranstaltungspreisen zu kommen und einige der besten Preise zu erhalten.
IPv6-Netzwerk unterstützt